
JDJ2-35為單相戶外油浸式產品,適用于額定頻率50Hz或60Hz、額定電壓35kV的電力系統中,作電能計量、電壓監控和繼電保護用。
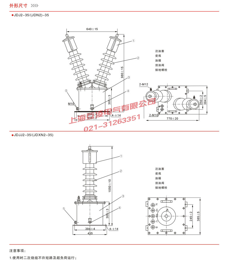
本系列電壓互感器的鐵心由條形硅鋼片疊成,為三柱芯式,器身用鐵夾固定在箱蓋上,在箱蓋上裝有一次及二次套管等,油箱用鋼板焊成,油箱壁下部裝有接地螺栓及放油塞,箱底有四個安裝孔。
▲產品符合標準GB1208-1997和IEC186之規定
▲額定電壓比、準確級組合、額定二次輸出、極限輸出、額定絕緣水平見下表
| 型號 | 額定電壓比 (V) | 準確級組合 | 額定輸出 | 極限輸出 | 額定絕緣水平(kV) |
| (VA) | (VA) | ||||
| JDJ2-35 | 35000/100 | 0.2 0.5 1 |
75 150 250 |
1000 | 40.5/95/200 |

